STATIM Homokineet FIAT COUPE
                    
                    Populaire producenten van Homokinetische koppeling
                    
                 
             
         
     
    
    
            
            
                
Homokinetische koppeling STATIM Fiat COUPE: Bestsellers van Online catalogus
            
         
        
    
                    
                
                    
                        
                             Artikelinfo
                            Artikelinfo
                         
                        
                            
                                - 
            
                Inbouwplaats:
                            
            Versnellingsbak zijde
        
- 
            
                Type askoppeling:
                            
            Constante snelheid askoppeling
        
- 
            
                Diameter [mm]:
                            
            100
        
- 
            
                Binnenvertanding, diff.zijde, aansl. versnellingsbak:
                            
            25
        
- 
            
                Conditie:
                            
            Geheel nieuw
        
 
                        
                            In voorraad
                        
                        Details
                     
                    
                                            
                    
                         
                                        
                    
                    
                    
                    
                    
                                            
                    
                 
                
                                    
                        
                        
                            
                        
                    
                             
                    
                
                    
                        
                             Artikelinfo
                            Artikelinfo
                         
                        
                            
                                - 
            
                Inbouwplaats:
                            
            Wielzijde
        
- 
            
                Buitenvertanding wiel zijde:
                            
            22
        
- 
            
                Binnenvertanding, wielzijde:
                            
            22
        
- 
            
                Diameter o-ring [mm]:
                            
            52
        
- 
            
                Type askoppeling:
                            
            Constante snelheid askoppeling
        
- 
            
                Diameter [mm]:
                            
            81
        
- 
            
                Conditie:
                            
            Geheel nieuw
        
 
                        
                            In voorraad
                        
                        Details
                     
                    
                                            
                    
                         
                                        
                    
                    
                    
                    
                    
                                            
                    
                 
                
                                    
                        
                        
                            
                        
                    
                             
                    
                
                    
                        
                             Artikelinfo
                            Artikelinfo
                         
                        
                            
                                - 
            
                Inbouwplaats:
                            
            Wielzijde
        
- 
            
                Buitenvertanding wiel zijde:
                            
            25
        
- 
            
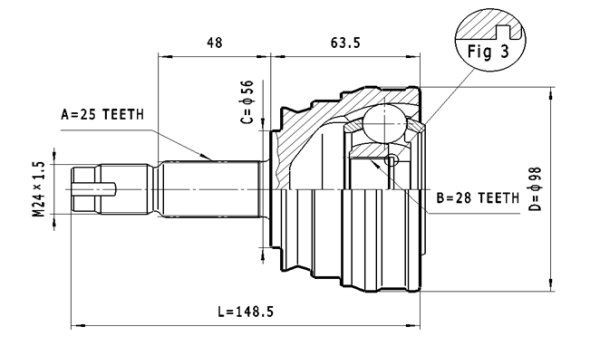
                Binnenvertanding, wielzijde:
                            
            28
        
- 
            
                Diameter o-ring [mm]:
                            
            56
        
- 
            
                Type askoppeling:
                            
            Constante snelheid askoppeling
        
- 
            
                Diameter [mm]:
                            
            98
        
- 
            
                Conditie:
                            
            Geheel nieuw
        
 
                        
                            In voorraad
                        
                        Details
                     
                    
                                            
                    
                         
                                        
                    
                    
                    
                    
                    
                                            
                    
                 
                
                                    
                        
                        
                            
                        
                    
                             
                    
                
                    
                        
                             Artikelinfo
                            Artikelinfo
                         
                        
                            
                                - 
            
                Inbouwplaats:
                            
            Wielzijde
        
- 
            
                Buitenvertanding wiel zijde:
                            
            22
        
- 
            
                Binnenvertanding, wielzijde:
                            
            22
        
- 
            
                Diameter o-ring [mm]:
                            
            46
        
- 
            
                Type askoppeling:
                            
            Constante snelheid askoppeling
        
- 
            
                Diameter [mm]:
                            
            81
        
- 
            
                Conditie:
                            
            Geheel nieuw
        
 
                        
                            Momenteel niet in voorraad
                        
                        Details
                     
                    
                                            
                    
                         
                                        
                    
                    
                    
                    
                    
                                            
                    
                 
                
                             
                    
                
                    
                        
                             Artikelinfo
                            Artikelinfo
                         
                        
                            
                                - 
            
                Inbouwplaats:
                            
            Wielzijde
        
- 
            
                Buitenvertanding wiel zijde:
                            
            25
        
- 
            
                Binnenvertanding, wielzijde:
                            
            24
        
- 
            
                Diameter o-ring [mm]:
                            
            51
        
- 
            
                Type askoppeling:
                            
            Constante snelheid askoppeling
        
- 
            
                Diameter [mm]:
                            
            85,50
        
- 
            
                Conditie:
                            
            Geheel nieuw
        
 
                        
                            Momenteel niet in voorraad
                        
                        Details
                     
                    
                                            
                    
                         
                                        
                        
                            STATIM C.326 Homokineet reparatie set, aandrijfas Wielzijde                                                
                                                            Artikelnummer: C.326
                                                    
                     
                    
                    
                    
                    
                    
                                            
                    
                 
                
                             
                    
                
                    
                        
                             Artikelinfo
                            Artikelinfo
                         
                        
                            
                                - 
            
                Inbouwplaats:
                            
            Wielzijde
        
- 
            
                Buitenvertanding wiel zijde:
                            
            22
        
- 
            
                Binnenvertanding, wielzijde:
                            
            22
        
- 
            
                Diameter o-ring [mm]:
                            
            47
        
- 
            
                Type askoppeling:
                            
            Constante snelheid askoppeling
        
- 
            
                Diameter [mm]:
                            
            83
        
- 
            
                Conditie:
                            
            Geheel nieuw
        
 
                        
                            Momenteel niet in voorraad
                        
                        Details
                     
                    
                                            
                    
                         
                                        
                        
                            STATIM C.305 Homokineet reparatie set, aandrijfas Wielzijde                                                
                                                            Artikelnummer: C.305
                                                    
                     
                    
                    
                    
                    
                    
                                            
                    
                 
                
                             
                    
                
                    
                        
                             Artikelinfo
                            Artikelinfo
                         
                        
                            
                                - 
            
                Inbouwplaats:
                            
            Wielzijde
        
- 
            
                Buitenvertanding wiel zijde:
                            
            22
        
- 
            
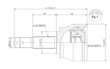
                Binnenvertanding, wielzijde:
                            
            20
        
- 
            
                Diameter o-ring [mm]:
                            
            51
        
- 
            
                Type askoppeling:
                            
            Constante snelheid askoppeling
        
- 
            
                Diameter [mm]:
                            
            81
        
- 
            
                Conditie:
                            
            Geheel nieuw
        
 
                        
                            Momenteel niet in voorraad
                        
                        Details
                     
                    
                                            
                    
                         
                                        
                        
                            STATIM C.177 Homokineet reparatie set, aandrijfas Wielzijde                                                
                                                            Artikelnummer: C.177
                                                    
                     
                    
                    
                    
                    
                    
                                            
                    
                 
                
                             
                    
                
                    
                        
                             Artikelinfo
                            Artikelinfo
                         
                        
                            
                                - 
            
                Inbouwplaats:
                            
            Wielzijde
        
- 
            
                Buitenvertanding wiel zijde:
                            
            25
        
- 
            
                Binnenvertanding, wielzijde:
                            
            28
        
- 
            
                Diameter o-ring [mm]:
                            
            59
        
- 
            
                Type askoppeling:
                            
            Constante snelheid askoppeling
        
- 
            
                Diameter [mm]:
                            
            98
        
- 
            
                Conditie:
                            
            Geheel nieuw
        
 
                        
                            Momenteel niet in voorraad
                        
                        Details
                     
                    
                                            
                    
                         
                                        
                        
                            STATIM C.175 Homokineet reparatie set, aandrijfas Wielzijde                                                
                                                            Artikelnummer: C.175
                                                    
                     
                    
                    
                    
                    
                    
                                            
                    
                 
                
                             
                    
                
                    
                        
                             Artikelinfo
                            Artikelinfo
                         
                        
                            
                                - 
            
                Inbouwplaats:
                            
            Wielzijde
        
- 
            
                Buitenvertanding wiel zijde:
                            
            22
        
- 
            
                Binnenvertanding, wielzijde:
                            
            21
        
- 
            
                Diameter o-ring [mm]:
                            
            51
        
- 
            
                Type askoppeling:
                            
            Constante snelheid askoppeling
        
- 
            
                Diameter [mm]:
                            
            80
        
- 
            
                Conditie:
                            
            Geheel nieuw
        
 
                        
                            Momenteel niet in voorraad
                        
                        Details
                     
                    
                                            
                    
                         
                                        
                        
                            STATIM C.173 Homokineet reparatie set, aandrijfas Wielzijde                                                
                                                            Artikelnummer: C.173
                                                    
                     
                    
                    
                    
                    
                    
                                            
                    
                 
                
                             
                    
                
                    
                        
                             Artikelinfo
                            Artikelinfo
                         
                        
                            
                                - 
            
                Inbouwplaats:
                            
            Wielzijde
        
- 
            
                Buitenvertanding wiel zijde:
                            
            22
        
- 
            
                Binnenvertanding, wielzijde:
                            
            22
        
- 
            
                Aantal tanden, ABS-ring:
                            
            44
        
- 
            
                Diameter o-ring [mm]:
                            
            52
        
- 
            
                Type askoppeling:
                            
            Constante snelheid askoppeling
        
- 
            
                Diameter [mm]:
                            
            81
        
- 
            
                Conditie:
                            
            Geheel nieuw
        
 
                        
                            Momenteel niet in voorraad
                        
                        Details
                     
                    
                                            
                    
                         
                                        
                        
                            STATIM C.171 Homokineet reparatie set, aandrijfas Wielzijde                                                
                                                            Artikelnummer: C.171
                                                    
                     
                    
                    
                    
                    
                    
                                            
                    
                 
                
                             
             
    
 
    
    
    
    
        
            
                
                    Buitengewoon gunstige
                
                Blijvend lage prijzen en goede service op autoonderdelen24.be
             
         
        
            
                
                    Gratis verzending
                
                Kostenvrije verzending binnen België bij aankopen van meer dan 150 €
behalve bij het bestellen van volumineuze goederen, inruilartikelen of banden.
             
         
        
            
                
                    Betalingsmethode
                
                Verschillende betaalmethoden zoals PayPal, creditcard, vooruitbetaling, contant of onder rembours.
             
         
        
            
                
                    Breed scala
                
                U kunt kiezen uit een assortiment van meer dan 2.500.000 onderdelen.